■ PROPAGATION DELAY TIME : tPD = 40ns (TYP.) at VDD = 10V CL = 50pF
■ HIGH TO LOW LEVEL LOGIC CONVERSION
■ HIGH "SINK" AND "SOURCE" CURRENT CAPABILITY
■ QUIESCENT CURRENT SPECIFIED UP TO 20V
■ 5V, 10V AND 15V PARAMETRIC RATINGS
■ INPUT LEAKAGE CURRENT
II = 100nA (MAX) AT VDD = 18V TA = 25°C
■ 100% TESTED FOR QUIESCENT CURRENT
■ MEETS ALL REQUIREMENTS OF JEDEC JESD13B " STANDARD SPECIFICATIONS FOR DESCRIPTION OF B SERIES CMOS DEVICES"
DESCRIPTION
The HCF4050B is a monolithic integrated circuit fabricated in Metal Oxide Semiconductor technology available in DIP and SOP packages.
It is an non inverting Hex Buffer/Converter and feature logic level conversions using only one supply voltage (VDD).
The input high level signal (VIH) can exceed the VDD supply voltage when these devices are used for logic level conversions. This device is intended for use as CMOS to DTL/TTL converters and can drive directly two DTL/TTL loads (VDD=5V, VOL≤0.4V and IOL≤3.2mA.
PIN CONNECTION
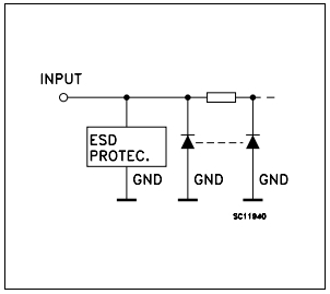
INPUT EQUIVALENT CIRCUIT P
'DATASHEET' 카테고리의 다른 글
AIMW120R045M1 Datasheet Download - Infineon Technologies AG (0) | 2021.02.27 |
---|---|
OS-RXL-2 Datasheet Download - Panasonic Semiconductor (0) | 2021.02.24 |
ABA-53563-TR1G Datasheet Download(PDF) - Broadcom Corporation. (0) | 2021.02.19 |
WP7113SRD-D Datasheet (PDF) Download - Kingbright Corporation (0) | 2021.02.16 |
Cisco Firepower 1000 Series Data Sheet (PDF) Download (0) | 2021.02.11 |