ABA-53563
3.5 GHz Broadband Silicon RFIC Amplifier
Description
Avago’s ABA-53563 is an economical, easy-to-use, internally 50-ohm matched silicon monolithic amplifier that offers excellent gain and flat broadband response from DC to 3.5 GHz. Packaged in an ultraminiature industry-standard SOT-363 package, it requires half the board space of a SOT-143 package.
At 2 GHz, the ABA-53563 offers a small-signal gain of 21.5 dB, output P1dB of 12.7 dBm and 22.9 dBm output third order intercept point. It is suitable for use as buffer amplifiers for wideband applications.
They are designed for low cost gain blocks in cellular applications, DBS tuners, LNB and other wireless communications systems.
ABA-53563 is fabricated using Avago’s HP25 silicon bipolar process, which employs a double-diffused single polysilicon process with self-aligned submicron emitter geometry. The process is capable of simultaneous high fT and high NPN breakdown (25 GHz fT at 6V BVCEO).
The process utilizes industry standard device oxide isolation technologies and submicron aluminum multilayer interconnect to achieve superior performance, high uniformity, and proven reliability.
Surface Mount Package: SOT-363/SC70
Pin Connections and Package Marking
Features
• Operating frequency: DC ~ 3.5 GHz
• 21.5 dB gain
• VSWR < 2.0 throughout operating frequency
• 12.7 dBm output P1dB
• 3.5 dB noise figure
• Unconditionally stable
• Single 5V supply (Id = 46 mA)
• Lead-free option available
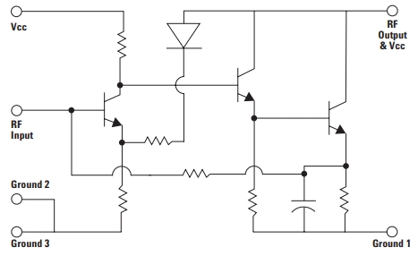
Simplified Schematic
'DATASHEET' 카테고리의 다른 글
OS-RXL-2 Datasheet Download - Panasonic Semiconductor (0) | 2021.02.24 |
---|---|
HCF4050M013TR Datasheet Download - STMicroelectronics (0) | 2021.02.22 |
WP7113SRD-D Datasheet (PDF) Download - Kingbright Corporation (0) | 2021.02.16 |
Cisco Firepower 1000 Series Data Sheet (PDF) Download (0) | 2021.02.11 |
PM-F25-R Datasheet (PDF) download (PM-25, PM-45, PM-65 SERIES) (0) | 2021.02.07 |